Cold And Hot Water Dispenser Wiring Diagram Youtube

Cold And Hot Water Dispenser Wiring Diagram Youtube

Hot And Cold Water Dispenser Diagram Schematic And Image 12

Hot And Cold Water Dispenser Diagram Schematic And Image 12

Diagram Wiring Diagram Of Water Dispenser Full Version Hd Quality Water Dispenser Okcwebdesigner Kinggo Fr

Diagram Wiring Diagram Of Water Dispenser Full Version Hd Quality Water Dispenser Okcwebdesigner Kinggo Fr

Disposal Wiring Diagram Home Electrical Wiring Garbage Disposal Garbage Disposal Installation

Disposal Wiring Diagram Home Electrical Wiring Garbage Disposal Garbage Disposal Installation

Automatic Water Dispenser Using Arduino Arduino Water Dispenser Circuit Diagram

Automatic Water Dispenser Using Arduino Arduino Water Dispenser Circuit Diagram

Van Electrical Diagram With Solar Power We Converted Our Van Into A Camper Van And Made This Wiring Diag Electrical Diagram Solar Power Charger Electricity

Van Electrical Diagram With Solar Power We Converted Our Van Into A Camper Van And Made This Wiring Diag Electrical Diagram Solar Power Charger Electricity

Van Electrical Diagram With Solar Power We Converted Our Van Into A Camper Van And Made This Wiring Diag Electrical Diagram Solar Power Charger Electricity

Honeywell Boiler Zone Valves Wiring Wiring 3 Zone With Honeywell L8148j Honeywell V8043e And Low Water Honeywell Hydronic Heating Systems Low Water

Honeywell Boiler Zone Valves Wiring Wiring 3 Zone With Honeywell L8148j Honeywell V8043e And Low Water Honeywell Hydronic Heating Systems Low Water

Diagram For Stc 1000 Temp Controller Note I Am Not An Electrician This Diagram Is Not A Recommendation Consult An Electrician Before Wiring

Diagram For Stc 1000 Temp Controller Note I Am Not An Electrician This Diagram Is Not A Recommendation Consult An Electrician Before Wiring

New Wiring Diagram For Home Water Heater Diagram Diagramsample Diagramtemplate Wiringdiagram Tankless Water Heater Water Heater Tankless Hot Water Heater

New Wiring Diagram For Home Water Heater Diagram Diagramsample Diagramtemplate Wiringdiagram Tankless Water Heater Water Heater Tankless Hot Water Heater

Wiring Diagram Plc Mitsubishi Bookingritzcarlton Info Diagram Mitsubishi Electricity

Wiring Diagram Plc Mitsubishi Bookingritzcarlton Info Diagram Mitsubishi Electricity

Wiring Diagram Symbols Http Bookingritzcarlton Info Wiring Diagram Symbols Refrigerator Compressor Trailer Wiring Diagram Ge Refrigerator

Wiring Diagram Symbols Http Bookingritzcarlton Info Wiring Diagram Symbols Refrigerator Compressor Trailer Wiring Diagram Ge Refrigerator

Frigidaire Frs6r5esbl Side By Side Refrigerator Parts Sears Partsdirect

Frigidaire Frs6r5esbl Side By Side Refrigerator Parts Sears Partsdirect

Frigidaire Frs26rlecsr Side By Side Refrigerator Parts Sears Partsdirect

Frigidaire Frs26rlecsr Side By Side Refrigerator Parts Sears Partsdirect

Frigidaire Ffhs2611lbk Side By Side Refrigerator Parts Sears Partsdirect

Frigidaire Ffhs2611lbk Side By Side Refrigerator Parts Sears Partsdirect

Pin On Wiring Diagram

Pin On Wiring Diagram

Wiring Diagram For 220 Volt Baseboard Heater Http Bookingritzcarlton Info Wiring Diagra Water Heater Thermostat Baseboard Heater Thermostat Hot Water Heater

Wiring Diagram For 220 Volt Baseboard Heater Http Bookingritzcarlton Info Wiring Diagra Water Heater Thermostat Baseboard Heater Thermostat Hot Water Heater

Kenmore 25371792104 Top Mount Refrigerator Parts Sears Partsdirect

Kenmore 25371792104 Top Mount Refrigerator Parts Sears Partsdirect

Bunn Fmd 3 Schematic Wiring Diagram Fmd 1 Fmd 2 Fmd 3

Bunn Fmd 3 Schematic Wiring Diagram Fmd 1 Fmd 2 Fmd 3

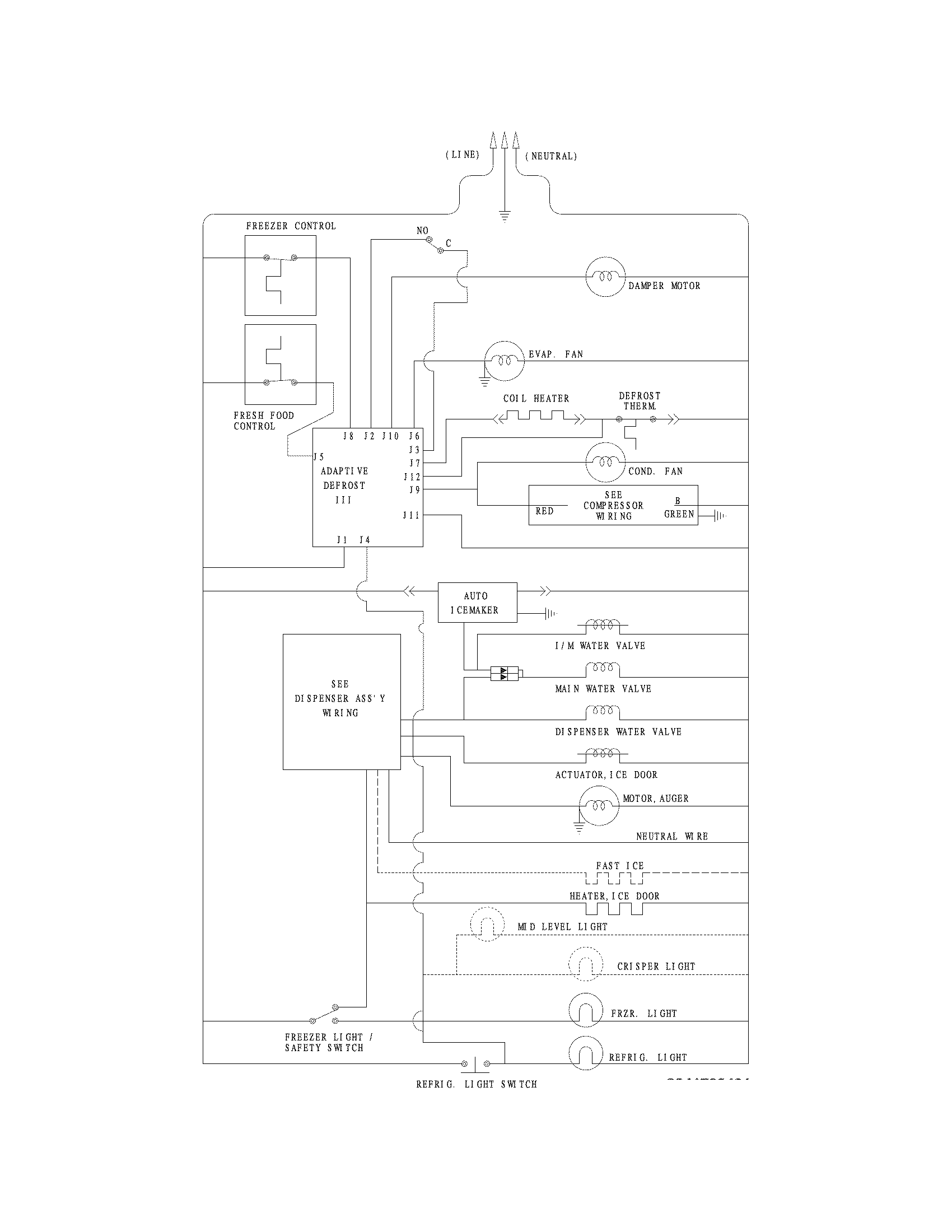
Image Result For Wiring Of Refrigerator Pdf Refrigerator Compressor Compressor Capacitors

Image Result For Wiring Of Refrigerator Pdf Refrigerator Compressor Compressor Capacitors

Diagram Wiring Diagram For Water Dispenser Full Version Hd Quality Water Dispenser Riata Wiring Aminesorcier Fr

Diagram Wiring Diagram For Water Dispenser Full Version Hd Quality Water Dispenser Riata Wiring Aminesorcier Fr

Source : pinterest.com