Wiring Diagram For Ie58a Incremental Encoder Electrical Engineering Stack Exchange

Wiring Diagram For Ie58a Incremental Encoder Electrical Engineering Stack Exchange

How To Use Incremental Encoders Arduino Project Hub

How To Use Incremental Encoders Arduino Project Hub

Diagram Bei Encoder Wiring Diagram Full Version Hd Quality Wiring Diagram Whiskeydiagram Lionsicilia It

Diagram Bei Encoder Wiring Diagram Full Version Hd Quality Wiring Diagram Whiskeydiagram Lionsicilia It

Wiring Diagrams Wise Weihong Doc

Wiring Diagrams Wise Weihong Doc

What Is Ttl Output For Incremental Encoders Motion Control Tips

What Is Ttl Output For Incremental Encoders Motion Control Tips

Wiring An Incremental Rotary Encoder With Plc Youtube

Wiring An Incremental Rotary Encoder With Plc Youtube

Wiring An Incremental Rotary Encoder With Plc Youtube

Encoder Primer Phidgets Support

Encoder Primer Phidgets Support

Arduino Rotary Encoder Wiring

Arduino Rotary Encoder Wiring

Rd 3221 Incremental Encoder Wiring Moreover Quadrature Encoder Wiring Diagram Download Diagram

Rd 3221 Incremental Encoder Wiring Moreover Quadrature Encoder Wiring Diagram Download Diagram

Differential Encoder Input Support Odrive Community

Differential Encoder Input Support Odrive Community

Abb Drives User S Manual Htl Encoder Interface Fen 31 Pdf Free Download

Abb Drives User S Manual Htl Encoder Interface Fen 31 Pdf Free Download

Encoders Explained Library Automationdirect Com

Encoders Explained Library Automationdirect Com

32 Sew Encoder Wiring Diagram

32 Sew Encoder Wiring Diagram

Rotary Encoder Incremental Rotary Encoder How To Use It With Arduino Youtube

Rotary Encoder Incremental Rotary Encoder How To Use It With Arduino Youtube

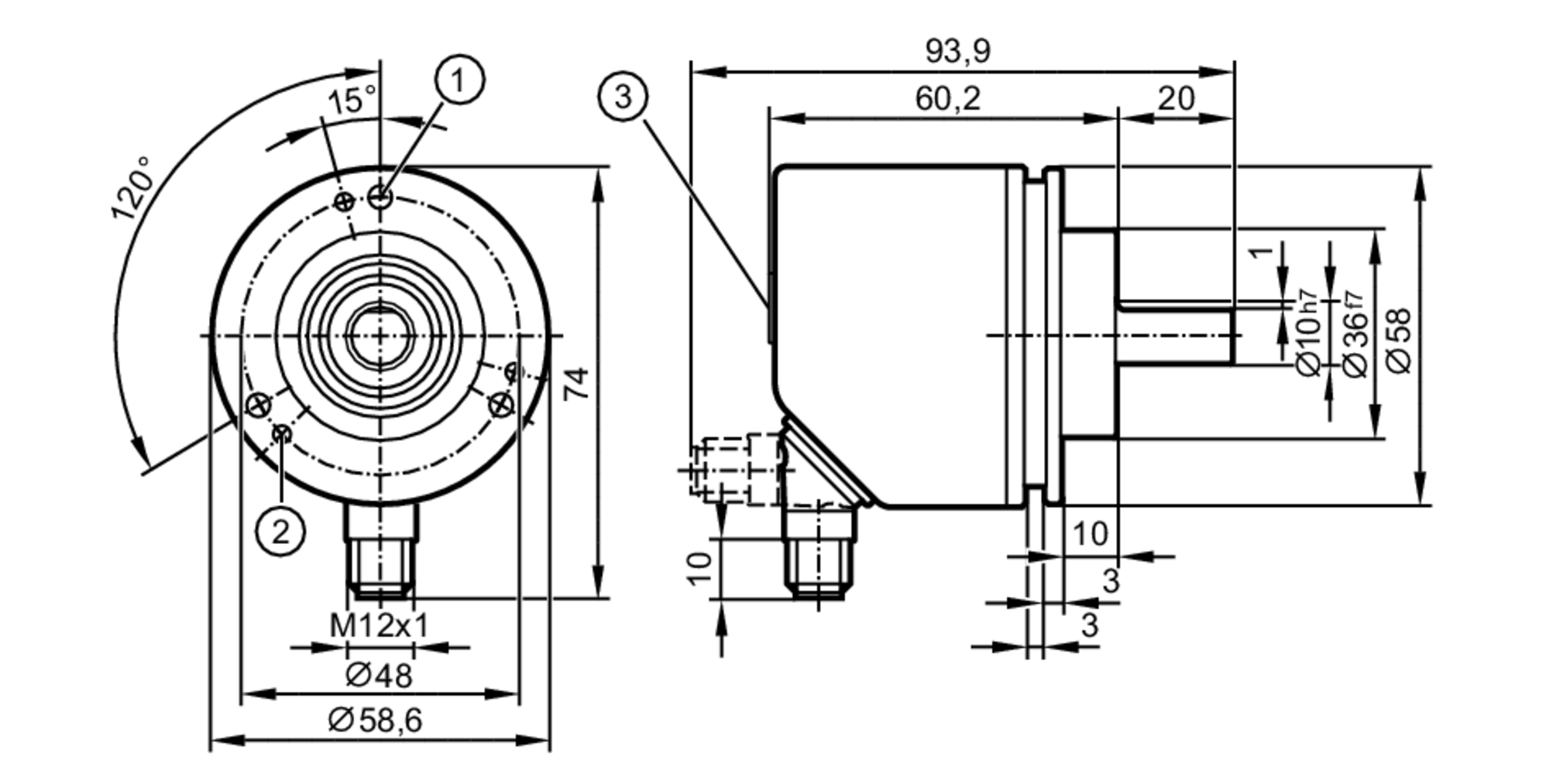
Rvp510 Incremental Encoder With Solid Shaft And Display Ifm Electronic

Rvp510 Incremental Encoder With Solid Shaft And Display Ifm Electronic

Electrical Installation Wiring Of The Feedback System Encoder Connection Incremental Encoder Ttl Encoder Lenze Ecscmxxx User Manual Page 88 375

Electrical Installation Wiring Of The Feedback System Encoder Connection Incremental Encoder Ttl Encoder Lenze Ecscmxxx User Manual Page 88 375

Wk 3667 Quadrature Encoder Schematic Wiring

Wk 3667 Quadrature Encoder Schematic Wiring

Wiring Diagrams Panasonic Weihong Doc

Wiring Diagrams Panasonic Weihong Doc

31 Sew Encoder Wiring Diagram Sew At Home

31 Sew Encoder Wiring Diagram Sew At Home

Incremental Encoder Interface 750 637 040 001 Wago Usa

Incremental Encoder Interface 750 637 040 001 Wago Usa

Source : pinterest.com