Rs485 To Rs232 Converter Aquaticus

Rs485 To Rs232 Converter Aquaticus

Signal Chain Basics 57 Rs 232 To Rs 485 Converters Used In Industrial Long Haul Communication

Signal Chain Basics 57 Rs 232 To Rs 485 Converters Used In Industrial Long Haul Communication

National Instruments Serial Quick Reference Guide Db9 Db25 Rs232 Loop Back Uart Data Frame Rs 485 Topologies Rs 485 Co In 2020 Simple Circuit Projects Serial Reference

National Instruments Serial Quick Reference Guide Db9 Db25 Rs232 Loop Back Uart Data Frame Rs 485 Topologies Rs 485 Co In 2020 Simple Circuit Projects Serial Reference

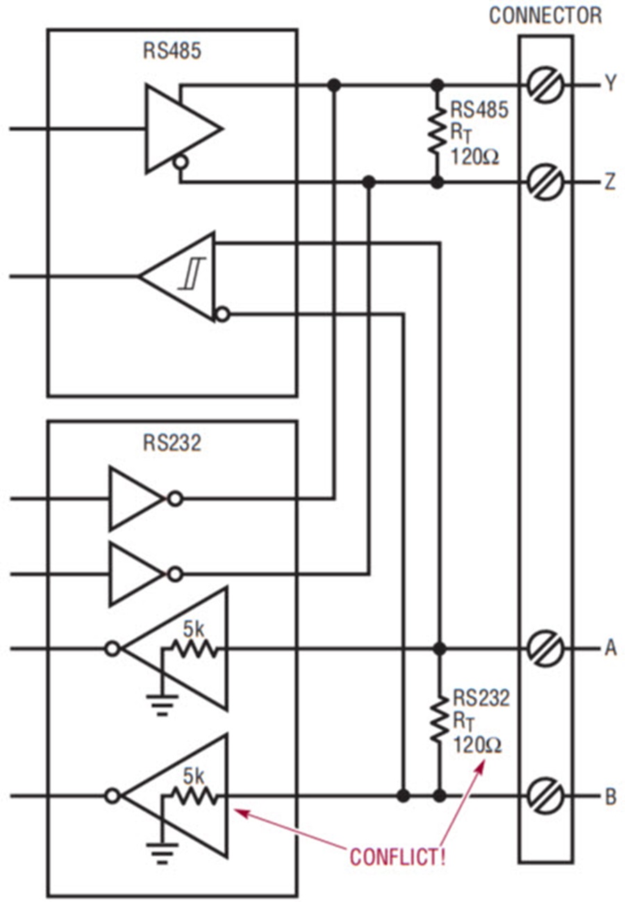
Adcp Serial Communication Rowe Technologies Inc Wiki

Adcp Serial Communication Rowe Technologies Inc Wiki

Pin On Electronics Tutorials

Pin On Electronics Tutorials

Rs 485 Wiring Diagram Electrical Wires Cable Rs 232 Png 1024x1602px Wiring Diagram Area Black

Rs 485 Wiring Diagram Electrical Wires Cable Rs 232 Png 1024x1602px Wiring Diagram Area Black

Rs 485 Wiring Diagram Electrical Wires Cable Rs 232 Png 1024x1602px Wiring Diagram Area Black

Android Arduino Communication Via Modbus Rs485 Arduino Arduino Projects Diy Arduino Projects

Android Arduino Communication Via Modbus Rs485 Arduino Arduino Projects Diy Arduino Projects

Rs485 Serial Communication Between Arduino Uno And Arduino Nano Arduino Communication Circuit Diagram

Rs485 Serial Communication Between Arduino Uno And Arduino Nano Arduino Communication Circuit Diagram

Ab Programmable Logic Controller Plc Questions And Answers Suppose We Have An Allen Bra Programmable Logic Controllers This Or That Questions Process Control

Ab Programmable Logic Controller Plc Questions And Answers Suppose We Have An Allen Bra Programmable Logic Controllers This Or That Questions Process Control

Diagram Wiring Diagram For Rs485 Full Version Hd Quality For Rs485 Cellcyclediagram Vagalume Fr

Diagram Wiring Diagram For Rs485 Full Version Hd Quality For Rs485 Cellcyclediagram Vagalume Fr

Relay And Sim808 Gsm Gprs Gps Modem Based Sms Controlled Wireless Home Automation System With Avr Atmega16 Microc Home Automation System Modems Home Automation

Relay And Sim808 Gsm Gprs Gps Modem Based Sms Controlled Wireless Home Automation System With Avr Atmega16 Microc Home Automation System Modems Home Automation

Circuit Diagram And Construction Details For A Diy Digital Variable Regulated Power Supply For Your Work Bench A New Desig Power Supply Power Circuit Diagram

Circuit Diagram And Construction Details For A Diy Digital Variable Regulated Power Supply For Your Work Bench A New Desig Power Supply Power Circuit Diagram

Serial Communication Between Stm32f103c8 And Arduino Uno Using Rs 485 Arduino Communication Microcontroller Board

Serial Communication Between Stm32f103c8 And Arduino Uno Using Rs 485 Arduino Communication Microcontroller Board

Sending Sms From Sim800 Gsm Gprs Modem With Avr Atmega16 Microcontroller Microcontrollers Modems Gps

Sending Sms From Sim800 Gsm Gprs Modem With Avr Atmega16 Microcontroller Microcontrollers Modems Gps

Amazon Com Cooso Rs232 To Rs485 Rs 232 Female To Rs 485 Rs 422 485 422 Female Adapter Converter 3packs Passive Computers Accessories

Amazon Com Cooso Rs232 To Rs485 Rs 232 Female To Rs 485 Rs 422 485 422 Female Adapter Converter 3packs Passive Computers Accessories

3 In 1 Converter Usb To Rs232 Rs485 Uart

3 In 1 Converter Usb To Rs232 Rs485 Uart

How To Read And Write A Complete Page Of At24c08 Eeprom With Avr Atmega32 Microcontroller And Lcd Display In 2020 Microcontrollers Circuit Diagram Reading Writing

How To Read And Write A Complete Page Of At24c08 Eeprom With Avr Atmega32 Microcontroller And Lcd Display In 2020 Microcontrollers Circuit Diagram Reading Writing

Dvpscm12 Sl Delta New Original Plc Rs 485 Rs 422 Serial Communication Module Locker Storage Storage Home Decor

Dvpscm12 Sl Delta New Original Plc Rs 485 Rs 422 Serial Communication Module Locker Storage Storage Home Decor

The Main Differences Between Rs 232 Rs 422 And Rs 485

The Main Differences Between Rs 232 Rs 422 And Rs 485

Source : pinterest.com